麻辣社区-四川第一网络社区

校外培训 高考 中考 择校 房产税 贸易战
阅读: 6560|评论: 7

[四川群众呼声] 《巴州区回风北路二段棚户区改造安置住房建设项目》发补遗敷衍了事,换汤不换药。

[复制链接]

发表于 2020-10-11 09:22 | 显示全部楼层 |阅读模式
https://www.mala.cn/thread-16015062-1-1.html
之前发帖,反应巴中汇鑫发展有限公司《巴州区回风北路二段棚户区改造安置住房》招标文件违规设置限制性条件排斥潜在投标人问题,该项目于2020年10月10日发出补遗进行了修改:安全管理体系措施由安全评价师或安全工程师编制。安全管理体系合理、措施可行得5.8-6分。,修改后换汤不换药,只是变了一种说法。该项目要求安全工程师违背了川施工管理人员配备标准(DBJ51/T085-2017)的规定。 希望巴中汇鑫发展有限公司正确面对,删除限制性条款,不要自找麻烦。


补遗内容:

092600qzm9j5pac5vraygv.jpg 092613mc5xjj9brgo29595.jpg

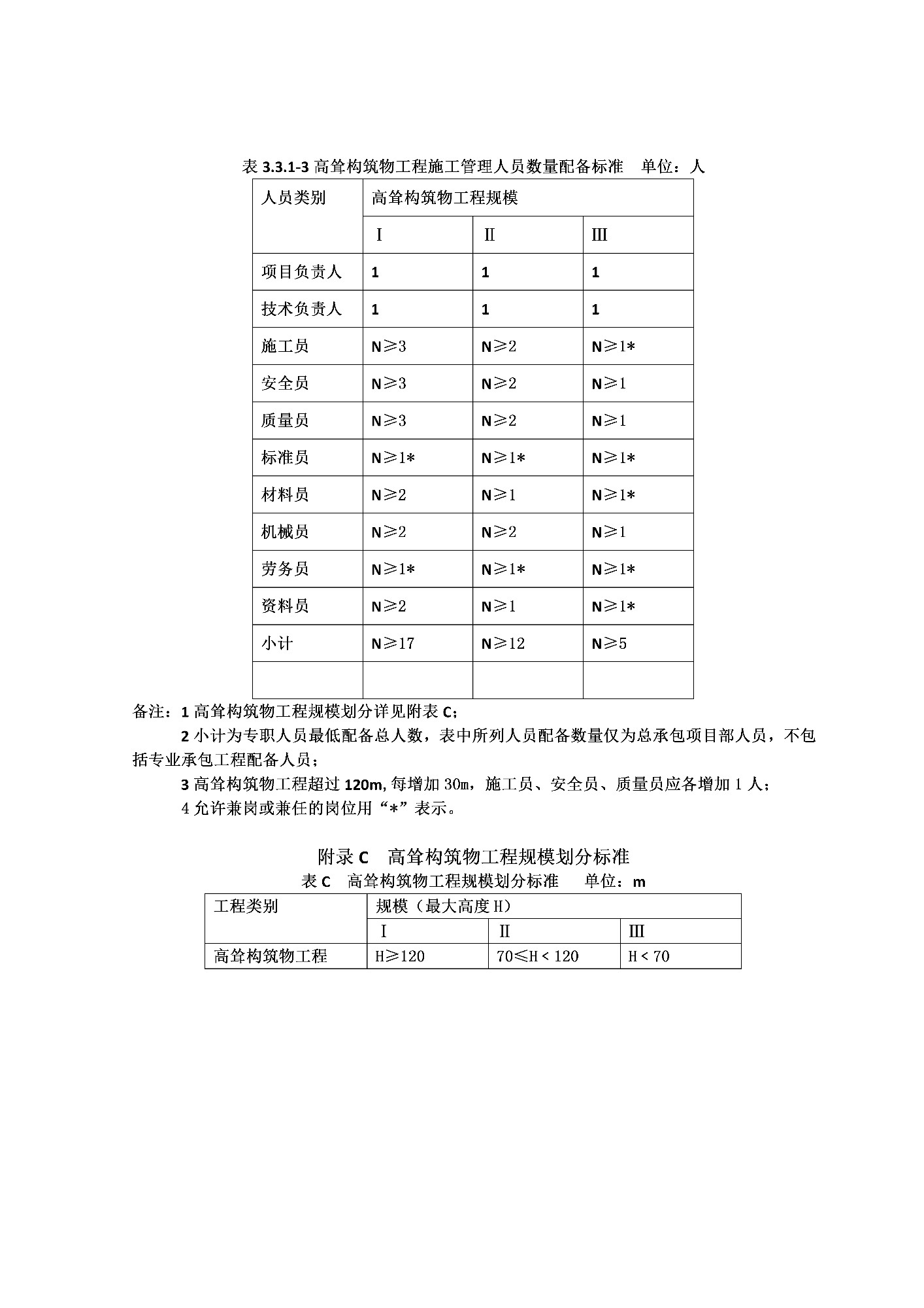
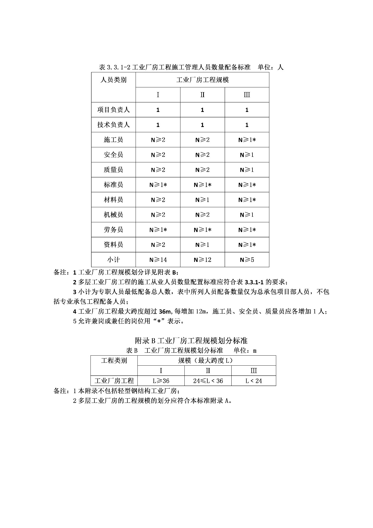
川施工管理人员配备标准(DBJ51/T085-2017)》内容:
092015qys3z53gogwoiqs3.jpg 092024km88wwfrf8918q96.jpg 092032hzkwu2v7jmlwe4l4.jpg 092044k4umykybueyuli8u.jpg 092052lr72ax5op2pzk8c9.jpg 092103v8immwcwigfmfvzj.jpg 092118yb50xco6uxxzxrlp.jpg

打赏

微信扫一扫,转发朋友圈

已有 52 人转发至微信朋友圈

   本贴仅代表作者观点,与麻辣社区立场无关。
   麻辣社区平台所有图文、视频,未经授权禁止转载。
   本贴仅代表作者观点,与麻辣社区立场无关。  麻辣社区平台所有图文、视频,未经授权禁止转载。

发表于 2020-10-11 09:39 来自麻辣社区客户端 | 显示全部楼层

发表于 2020-10-11 10:50 来自麻辣社区客户端 | 显示全部楼层
汇鑫公司董事长李某某及相关领导和招标代理机构官商勾结。作为巴州区的项目。设置这么高的条件,虽然出了补遗但还是换汤不换药,明显是为某些官商获取非法利益。汇鑫公司是巴州区的投资公司,巴州区的区委书记以及区长。你们就坐视不管,不管不问吗?任由他们为非作歹,胡作非为吗?

发表于 2020-10-11 11:32 来自麻辣社区客户端 | 显示全部楼层
听说易地扶贫搬迁项目招标现在到中央了,难道这个业主也想去?

发表于 2020-10-11 11:34 来自麻辣社区客户端 | 显示全部楼层
政府一直口号喊的是严厉打击围标串标,难道这个就没人管吗?官网发那些联合文件有什么用?

发表于 2020-10-11 12:17 来自麻辣社区客户端 | 显示全部楼层
共 产 党 只 要 给 他们发 张 纸 公司就 他 家 的

发表于 2020-10-12 17:39 | 显示全部楼层
太复杂
(匿名发布)
(匿名发布)  发表于 2020-10-14 22:58
有些事,一但形成,改变何其难也?
高级模式 自动排版
您需要登录后才可以回帖 登录 | 注册

本版积分规则

复制链接 微信分享 快速回复 返回顶部 返回列表 关闭